产品用途
ED80是一款手动操作设备,具有简单的超中心弹簧机构,可为打开和关闭主触点提供快速动作。与我们所有的ED分离开关一样,ED80的设计旨在提供在发生严重电气故障时快速断开电池或其他电源的方法。ED80适用于不间断的电流负载。
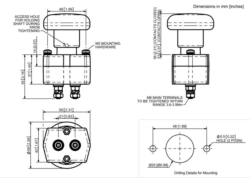
ED80主要用于电池驱动车辆,但也适用于静态电源系统。它能够在紧急情况下安全地破坏满载电池电流。ED80易于安装(参见钻孔细节),并使用附带的M5 posidrive安装螺丝进行固定。
注意事项:
该开关用于在紧急情况下或作为空载隔离器使电流破裂。
请勿用作常规有载开关设备。